夾式送料機的結構及原理
夾式送料機由機身、入力機構、傳動調整機構、送料機構、正時機構六大部分組成。
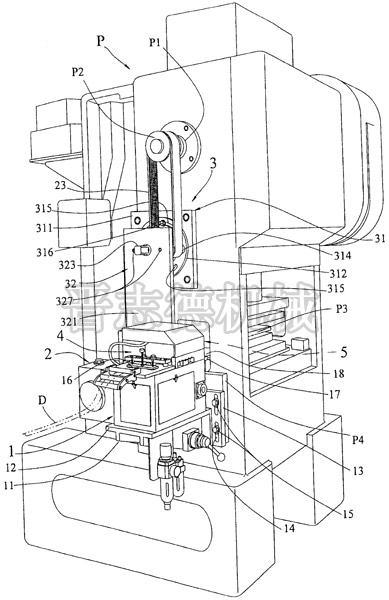
夾式送料機機身裝配各元件固定在基座水平板上,基座的垂直板穿設數長孔,藉螺栓可調整高度的貼置沖床入料側的座板上,機身頂部前端部位鋪設一前托料板和后端面連設一后托料板,后托料板面上挖設數開口導槽可調整固定的齊平滑合一延托板同數的定位條。
入力機構的入力軸伸出機身外連接入力時規皮帶輪,時規皮帶輪通過時規皮帶連結沖床曲柄,為夾式送料機主動軸提供旋轉動力。
傳動調整機構由調整座板和微調座板組成,其中調整座板安裝在沖床機架上,微調座板安裝在夾式送料機機身上,調整座板上樞連一轉盤的樞軸,轉盤上對稱的樞設二時規皮帶輪,在轉盤上和二時規皮帶輪同心的對稱穿設二弧形長孔各穿置一固定螺栓旋鎖在座板對應穿設的螺孔,而微調構成座板上亦樞連一轉盤的樞軸,轉盤上對稱的樞設二惰輪,及、在轉盤上和二惰輪同心的對稱穿設二弧形長孔各穿置一固定螺栓旋鎖在座板對應穿設的螺孔,使調整構成和微調構成的座板、位置在外側,而二時規皮帶輪和二惰輪相向適當間距的交容,和時規皮帶同一中心線上可調整松緊度的嚙套合,使微調時規皮帶的構成隨著送料裝置因應沖床模具的進料高度調整移動,能更簡捷精準的調整傳動時序。
夾式送料機送料機構的送料轉盤通過在中心線挖設一T型槽滑設一T型塊旋合一螺桿,連接入力機構主動軸,傳遞旋轉動力。螺桿設置擋環端套設一數字盤擋置在T型槽的封口壁外,并位在T型槽內的螺桿套置一止推軸承鎖固一螺母,使夾持螺桿和數字盤樞置在T形槽的封壁,及螺桿上旋置一消隙塊鄰近T型塊,使鄰向面各挖設一凹穴套置壓迫一消隙彈簧。T型塊連接一支軸樞接一連桿組連接滑設在機身重頂部的一送料架,以預定的送料時序操作材料的入料動作。
正時機構由驅動臂連接入力機構的主動軸,傳動安裝在機身頂部的一夾放料架,以預定的夾放料時序配合沖床的沖壓生產,操作材料適時的夾放料。
夾式送料機使用時,松開傳動調整機構調整構成和微調構成的轉盤、螺栓、放松時規皮帶,即依沖型模具的進料高度調整迭料裝置機身基座對應位置,及調整延托板重位置后,先調轉調整構成轉盤樞軸旋轉二時規皮帶輪頂觸時規皮帶適當緊度鎖緊螺栓,再調轉微調構成轉盤樞軸旋轉二惰輪亦頂調時規皮帶和各個時規皮帶輪嚙合的正確節距位置后鎖緊螺栓。兩轉盤的樞軸、可設置螺桿組或手柄或套接工具,操作旋轉時規皮帶輪和惰輪頂推或松開時規皮帶。晉志德夾式送料機使用薄帶料進料(0.1mm以下)進料時,機身的前托料板直和后托料板在進料路線上各嵌設一滾針組,各凸出板面預定的高度,使離隙的滾動托持帶料進料。
晉志德夾式送料機特優勢:采用不同模具的組成件,使微調時規皮帶的構成隨時料高度調整移動,避免時規皮帶跳齒影響進料,減少沖床模具不均沖剪力沖擊,消除調整螺桿螺牙螺合的間隙,達到簡捷精確的調整傳動進料時序,提高產品品質和降低不良率的發生,保護和提高模具的使用壽命。
文章發表:http://m.osasuosaghae.com/news_songliaojijs.html




